Тройник ВУЛКАН VHR 90° d250
* Изображение представленного на сайте товара носит ознакомительный характер и может незначительно отличаться от оригинала.
** Предложение не является публичной офертой.
- Обзор
- Характеристики
- Отзывы0
- Доставка
- Оплата
- Монтаж
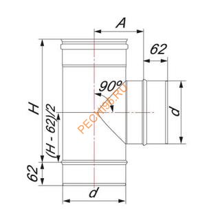
Тройник ВУЛКАН VHR 90° d250 - это высококачественный элемент системы вентиляции, который обеспечивает надежное соединение труб различного диаметра под углом 90 градусов.
Изготовленный из прочных и долговечных материалов, данный тройник отличается высокой устойчивостью к коррозии и агрессивным средам. Благодаря своей конструкции, он обеспечивает эффективное движение воздуха и позволяет создавать оптимальные условия для работы системы вентиляции.
Представленная модификация имеет стандартный размер диаметра 250 мм, что позволяет использовать его в различных типах систем вентиляции. Он легко монтируется и демонтируется, что упрощает процесс обслуживания и ремонта.
Наша компания предлагает купить тройник ВУЛКАН VHR 90° d250 по выгодной цене с доставкой по всей России.
Особенности:
- неограниченный срок службы,
- малое сопротивление тяге,
- идеальная геометрия,
- кислотоустойчивая сталь марки AISI,
- наружная поверхность трубы полированная,
- легкость монтажа и обслуживания, рабочая температура до 450° С,
- кратковременное повышение до 750° С,толщина стенки 0,5-0,8 мм, сварка встык TIG.
| Производитель | Вулкан |
| Страна производства | Россия |
| Диаметр | 250 мм |
| Тип | Одноконтурные (моно) |
| Толщина металла | 0,5мм, 0,8мм |
| Материал (внутри/снаружи) | Нержавейка 304, Нержавейка 321 |
| По типу оборудования | Для буржуйки, Для банных печей, Для каминов, Для печей, Для твердотопливных котлов, Для газовых котлов, Для дизельных котлов, Для мангалов |
| По назначению | Для дома, Для бани, Для беседки, Для сауны |
Тройник ВУЛКАН VHR 90° d250 отзывы
Способы доставки по Екатеринбургу и области:
При покупке товаров на сумму от 10000 рублей стоимость доставки составит:
- по Екатеринбургу — бесплатно;
- в Кольцово, Арамиль, В. Пышму, Березовский — 1000 рублей;
- по Свердловской области, либо по Уральскому региону — из расчета 20 руб/км (в оба конца);
- по Свердловской области, по Уральскому региону, по России, по Казахстану — транспортными компаниями КИТ, Деловые Линии, с оплатой доставки в их представительствах по действующим у них расценкам.
При покупке на сумму до 10000 рублей стоимость доставки составит:
- по Екатеринбургу — 600 рублей;
- в Кольцово, Арамиль, В. Пышму, Березовский — 1500 рублей;
- по Свердловской области, либо по Уральскому региону — из расчета 20 руб/км (в оба конца) + 1000 рублей;
- по Свердловской области, по Уральскому региону, по России, по Казахстану — транспортными компаниями КИТ, Деловые Линии, с оплатой доставки в их представительствах по действующим у них расценкам +600 рублей.
Разгрузка и подъем товара осуществляется силами покупателя.
Самовывоз: г. Екатеринбург, ул. Фурманова, 126 (Бизнес-центр FM), офис 411 (4 этаж).
Оплата в Екатеринбурге и области принимается следующими способами:
- Оплата наличными при получении товара — от курьера или в пункте выдачи товара.
- Онлайн оплата — дебетовыми и кредитными картами на сайте.
- Оплата на карту Сбербанка — применяется для физических лиц при дистанционной оплате.
- Оплата по безналичному расчету — применяется для физических и юридических лиц. После зачисления денежных средств на расчетный счет, товар и полный пакет документов будут доставлены Вам согласованным способом в оговоренные сроки. Работаем с НДС!
- Покупка товаров в кредит — нажмите кнопку "Купить в кредит" в карточке товара и оформите заявку на кредит. Подробности у менеджеров.
Печи96 выполняет монтаж отопительного оборудования «под ключ» в Екатеринбурге и области. Все работы ведутся по нормам пожарной безопасности и СНиП, с применением сертифицированных материалов.
Этапы монтажа
- Выезд инженера и замер — консультация, оценка условий установки, рекомендации по размещению.
- Смета — расчет материалов и работ, фиксированная цена после согласования.
- Доставка — оборудование и комплектующие привозим на объект в день начала работ.
- Монтаж — установка печи, камина или котла, монтаж дымохода, изоляция перекрытий и стен, вывод через кровлю, при необходимости облицовка, короба, декоративная отделка.
- Сдача объекта — проверка работы системы, подписание акта выполненных работ.
Что вы получаете
- безопасную установку с соблюдением норм;
- фиксированную стоимость без скрытых расходов;
- сроки монтажа от 1 до 3 дней (в зависимости от сложности);
- гарантию 1 год на все виды работ;
- возможность сервисного обслуживания.
Чтобы заказать монтаж, оставьте заявку на сайте или позвоните нам по телефону +7 (343) 305-00-25. Инженер согласует удобное время выезда.
Не забудьте приобрести
-
Цена: 5 430 ₽Цена: 2 780 ₽Цена: 3 050 ₽Цена: 2 520 ₽
-
Цена: 3 910 ₽Цена: 4 580 ₽Цена: 2 900 ₽
Категории: Дымоходы ВУЛКАН Дымоходы Дымоходы Вулкан диаметром 250 мм
Покупатели, которые приобрели Тройник ВУЛКАН VHR 90° d250, также купили
Рекомендуем посмотреть
Тройник ВУЛКАН VHR 90° d250 в Екатеринбурге
Тройник ВУЛКАН VHR 90° d250 купить в Екатеринбурге по выгодной цене 4 984 руб.: подробное описание, характеристики, фото и отзывы реальных покупателей, возможность скачать инструкции по монтажу и подобрать аксессуары
Перед покупкой Тройник ВУЛКАН VHR 90° d250 вы можете проконсультироваться со специалистами ПЕЧИ96 по телефону +7 (343) 305-00-25 или закажите обратный звонок на сайте. Интернет-магазин ПЕЧИ96 — это гарантия низкой цены, оперативной доставки по Екатеринбургу, возможность покупки в кредит и качественного клиентского сервиса.


























