Экран Этна фронтальный защитный 18,24 (ДТ-4, ДТ-4С) S=120мм
* Изображение представленного на сайте товара носит ознакомительный характер и может незначительно отличаться от оригинала.
** Предложение не является публичной офертой.
- Описание
- Характеристики
- Отзывы0
- Доставка
- Оплата
- Монтаж
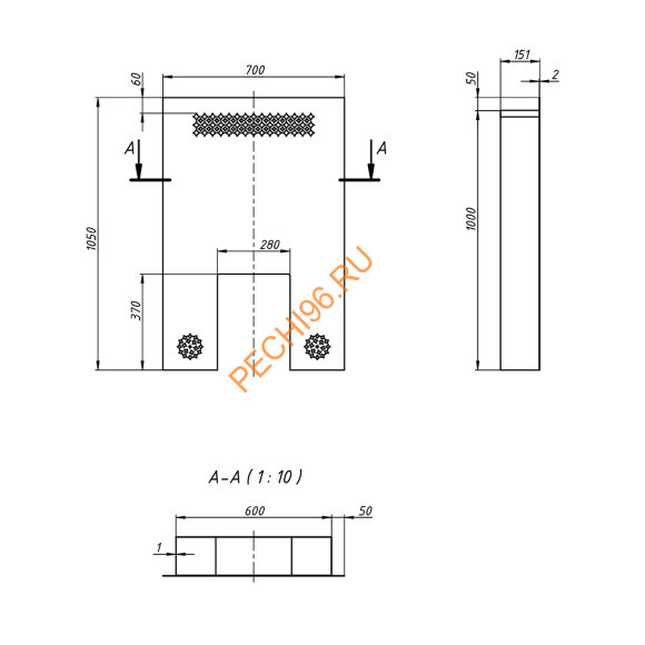
Фронтальный защитный экран применяется для монтажа печей Этна с целью разграничения пространства парной и комнаты отдыха (или предбанника). Экран отлично подойдёт для обустройства стены из кирпича или другого негорючего материала в случаях, когда нет возможности сделать полноценный портал. Выполненный из стали толщиной 1-2 мм фронтальный защитный экран выполняет функцию эстетического обрамления топочного тоннеля печи и одновременно защищает смежные с печью поверхности от воздействия повышенных температур. Фронтальный защитный экран сделан в виде П-образной арки, которая обрамляет топочную дверку и топочный тоннель печи. Передняя панель экрана имеет толщину 2 мм, остальные элементы – толщиной 1 мм. Небольшой борт по периметру передней панели позволяет красиво отделать экран и скрыть швы между экраном и стеной.
Экран полностью совместим с печами Этна 18,24 в модификациях с дверками ДТ-4, ДТ-4С. S=120 мм. Размеры портала и арки точно соответствуют печам указанных моделей и не требуют предварительной подгонки по месту. После установки экрана печь полностью сохраняет свои размерные и функциональные характеристики. Экран окрашен термостойкой краской, которая выдерживает высокие температуры, возникающие в топочном тоннеле во время работы печи. Фронтальный экран устанавливается на топочный тоннель сверху, позволяет на своей основе собрать стену между парной и предбанником из кирпича (толщина портала равна 151 мм) или дерева. Большая воздушная камера между передней и задней стенками экрана предотвращает теплопотери и делает использование изделия максимально безопасным. За счёт этой камеры передняя поверхность экрана нагревается незначительно, что предохраняет пользователя от ожогов, а помещение от перегрева.
| Производитель | Etna |
| Страна производства | Россия |
| Ширина | 700 мм |
| Глубина, мм | 121 |
| Высота | 1050 мм |
| Масса | 18.5 кг |
Экран Этна фронтальный защитный 18,24 (ДТ-4, ДТ-4С) S=120мм отзывы
Способы доставки по Екатеринбургу и области:
При покупке товаров на сумму от 10000 рублей стоимость доставки составит:
- по Екатеринбургу — бесплатно;
- в Кольцово, Арамиль, В. Пышму, Березовский — 1000 рублей;
- по Свердловской области, либо по Уральскому региону — из расчета 20 руб/км (в оба конца);
- по Свердловской области, по Уральскому региону, по России, по Казахстану — транспортными компаниями КИТ, Деловые Линии, с оплатой доставки в их представительствах по действующим у них расценкам.
При покупке на сумму до 10000 рублей стоимость доставки составит:
- по Екатеринбургу — 600 рублей;
- в Кольцово, Арамиль, В. Пышму, Березовский — 1500 рублей;
- по Свердловской области, либо по Уральскому региону — из расчета 20 руб/км (в оба конца) + 1000 рублей;
- по Свердловской области, по Уральскому региону, по России, по Казахстану — транспортными компаниями КИТ, Деловые Линии, с оплатой доставки в их представительствах по действующим у них расценкам +600 рублей.
Разгрузка и подъем товара осуществляется силами покупателя.
Самовывоз: г. Екатеринбург, ул. Фурманова, 126 (Бизнес-центр FM), офис 411 (4 этаж).
Оплата в Екатеринбурге и области принимается следующими способами:
- Оплата наличными при получении товара — от курьера или в пункте выдачи товара.
- Онлайн оплата — дебетовыми и кредитными картами на сайте.
- Оплата на карту Сбербанка — применяется для физических лиц при дистанционной оплате.
- Оплата по безналичному расчету — применяется для физических и юридических лиц. После зачисления денежных средств на расчетный счет, товар и полный пакет документов будут доставлены Вам согласованным способом в оговоренные сроки. Работаем с НДС!
- Покупка товаров в кредит — нажмите кнопку "Купить в кредит" в карточке товара и оформите заявку на кредит. Подробности у менеджеров.
Печи96 выполняет монтаж отопительного оборудования «под ключ» в Екатеринбурге и области. Все работы ведутся по нормам пожарной безопасности и СНиП, с применением сертифицированных материалов.
Этапы монтажа
- Выезд инженера и замер — консультация, оценка условий установки, рекомендации по размещению.
- Смета — расчет материалов и работ, фиксированная цена после согласования.
- Доставка — оборудование и комплектующие привозим на объект в день начала работ.
- Монтаж — установка печи, камина или котла, монтаж дымохода, изоляция перекрытий и стен, вывод через кровлю, при необходимости облицовка, короба, декоративная отделка.
- Сдача объекта — проверка работы системы, подписание акта выполненных работ.
Что вы получаете
- безопасную установку с соблюдением норм;
- фиксированную стоимость без скрытых расходов;
- сроки монтажа от 1 до 3 дней (в зависимости от сложности);
- гарантию 1 год на все виды работ;
- возможность сервисного обслуживания.
Чтобы заказать монтаж, оставьте заявку на сайте или позвоните нам по телефону +7 (343) 305-00-25. Инженер согласует удобное время выезда.
Категории: Защитные экраны и стекла для печей в баню Экраны и притопочные листы Напольные листы и стекла для печей-каминов
Покупатели, которые приобрели Экран Этна фронтальный защитный 18,24 (ДТ-4, ДТ-4С) S=120мм, также купили
Рекомендуем посмотреть
Экран Этна фронтальный защитный 18,24 (ДТ-4, ДТ-4С) S=120мм купить в Екатеринбурге по выгодной цене 7 100 руб.: подробное описание, характеристики, фото и отзывы реальных покупателей, возможность скачать инструкции по монтажу и подобрать аксессуары
Перед покупкой Экран Этна фронтальный защитный 18,24 (ДТ-4, ДТ-4С) S=120мм вы можете проконсультироваться со специалистами ПЕЧИ96 по телефону +7 (343) 305-00-25 или закажите обратный звонок на сайте. Интернет-магазин ПЕЧИ96 — это гарантия низкой цены, оперативной доставки по Екатеринбургу, возможность покупки в кредит и качественного клиентского сервиса.


























